

Description
The heating wire uses resistive material as the heat source and is coated with soft insulation material on the outer layer to manufacture various auxiliary heating elements; The inner part is wrapped with metal resistance wire on glass fiber, and the outer part is an insulation layer. Heating wires can be divided into linear and spiral shapes based on their appearance and shape differences; According to different insulation layer materials, they can be silicone rubber heating wires, Teflon heating wires, etc.
Silicone rubber heating wire is made by winding an alloy heating wire spirally around the fiber body, generating a certain resistance. Then, a layer of silicone is wrapped outside the spiral heating core, which can serve as insulation and heat conduction. The thermal conversion rate of silicone heating lines is relatively high, reaching over 98%, which belongs to the type of heating when powered on. The silicone rubber heating wire has:
1. It has excellent heat resistance and can be used for a long time at 150 ℃ with almost no performance changes. It can last for 10000 hours at 200 ℃.
2. Excellent insulation, insulation resistance greater than 500M Ω, stable resistance over a wide temperature and frequency range, and excellent resistance to high-voltage corona discharge and arc discharge.
3. It has flame retardancy and self extinguishing properties. As silicone rubber does not contain halides, it does not smoke or emit toxic gases during combustion, making it suitable for various occasions with strict fire prevention.
4. Has good cold resistance. Silicone rubber heating wires are widely used in various electrical appliances such as refrigerators, air conditioners, freezer defrosting, pipeline tank antifreeze, and window heating. The power design of the heating line is generally between 20w/m and 30w/m. In a low-temperature environment with good heat dissipation, the power density can reach 40w/m, and the operating temperature is between -60 ℃ and+155 ℃.
Technical parameters
| Heating Line Technical Parameters | |
| Heating linear type | Linear, spiral |
| Material of thermal insulation layer | Soft insulation materials such as silicone or PTFE |
| Outer diameter of thermal insulation layer | 1.2mm~5.0mm |
| Heating element | Nickel chromium alloy or other electric heating wires |
| Resistance range | 0.1~10000Ω/m |
| Resistance Tolerance | DC resistance value: ± 5% Outer diameter:+0.2/-0.1mm |
| Output power | Up to 40W/m |
| Working voltage | Up to 600V |
| Maximum surface temperature | 200℃ |
| Minimum surface temperature | -40℃ |
| insulation resistance | ≥100MΩ |
| Power frequency withstand voltage | ≥1500V |
| Product Life | Above 10000H |
| Deflection test | 25000 or more times without abnormalities (tested according to IEC testing standards) |
Ordering Example

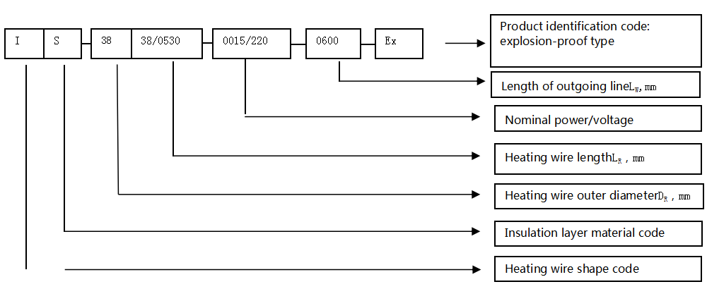
(1) Heating wire shape code: indicated by a 1-digit letter, □.
I - linear; S-spiral shape;
(2) Insulation layer material code: 1 letter represents, □.
S-Silicone; T-Teflon;
(3) Outer diameter of insulation layer of heating wire (DR), represented by 2 digits, □. □ mm
DR ≤ 5.0mm; Exceeding this diameter requires customization;
(4) Heating wire length (LR), represented by 4 digits, □ □ □ □ mm;
LR ≤ 9999mm; Exceeding this length requires customization;
(5) Nominal power (W)/working voltage (V), represented by 4 digits+3 digits, □ □ □/□ □ □;
(6) Length of outgoing line LW: represented by 4 digits, □ □ □ □ mm

IS-38/0530-0015/220-0600 is a product ordering code for linear silicone heating wires.
| Heating wire | |
| Shape code | I, it is a standard type, as shown in the figure; |
| Insulation layer material | silicone |
| Heating wire outer diameter DR | DR=3.8mm |
| Heating line lengthLR | LR=530mm |
| Nominal power (W) | 15W |
| Nominal working voltage (V) | 220V |
| Length of lead wire (LW) | LW=600mm, 0.35mm2 high-temperature wire (adapted according to power), wire color/diameter can be specified; |
| Product identification code | None; Non explosion-proof |
| Heating wire ordering information | |||||
| Ordering code | Heating wire outer diameter | Heating wire outer diameter | Nominal | Nominal | Lead |
| Outer diameter | Length | Power | Voltage | Length | |
| (DR,mm) | (LR,mm) | (W) | (V) | (LW,mm) | |
| Linear silicone heating wire/DJR-IS (standard type) | |||||
| IS-0530/38-0015/220-0600 | 3.8 | 530 | 15 | 220 | 600 |
| IS-0400/38-0011/220-0450 | 3.8 | 400 | 11 | 220 | 450 |
| IT-3000/38-0080/220-1300 | 3.8 | 3000 | 250 | 110 | 1300 |
| IS-3000/38-0080/220-3200 | 3.8 | 3000 | 300 | 110 | 3200 |
| Linear Teflon heating wire/DJR-IT (customized) | |||||
| IT-3000/38-0080/220-1300 | 3.8 | 3000 | 250 | 110 | 1300 |
| Spiral silicone heating wire/DJR-SS (customized) | |||||
| SS-3000/38-0080/220-1300 | 3.8 | 3000 | 250 | 110 | 1300 |
| Spiral Teflon heating wire/DJR-ST (customized) | |||||
| 3.8 | 3000 | 250 | 110 | 1300 | |
| Heating power, heating wire length L/outer diameter D, cable length LW/wire diameter/wire color all can be customized according to customer requirements. Please refer to the order code description; The standard lead wire with a power not exceeding 100W is a 0.35mm2 high-temperature wire; Technical information is subject to change without prior notice. | |||||
辽公网安备21060302000350号

Description
The heating wire uses resistive material as the heat source and is coated with soft insulation material on the outer layer to manufacture various auxiliary heating elements; The inner part is wrapped with metal resistance wire on glass fiber, and the outer part is an insulation layer. Heating wires can be divided into linear and spiral shapes based on their appearance and shape differences; According to different insulation layer materials, they can be silicone rubber heating wires, Teflon heating wires, etc.
Silicone rubber heating wire is made by winding an alloy heating wire spirally around the fiber body, generating a certain resistance. Then, a layer of silicone is wrapped outside the spiral heating core, which can serve as insulation and heat conduction. The thermal conversion rate of silicone heating lines is relatively high, reaching over 98%, which belongs to the type of heating when powered on. The silicone rubber heating wire has:
1. It has excellent heat resistance and can be used for a long time at 150 ℃ with almost no performance changes. It can last for 10000 hours at 200 ℃.
2. Excellent insulation, insulation resistance greater than 500M Ω, stable resistance over a wide temperature and frequency range, and excellent resistance to high-voltage corona discharge and arc discharge.
3. It has flame retardancy and self extinguishing properties. As silicone rubber does not contain halides, it does not smoke or emit toxic gases during combustion, making it suitable for various occasions with strict fire prevention.
4. Has good cold resistance. Silicone rubber heating wires are widely used in various electrical appliances such as refrigerators, air conditioners, freezer defrosting, pipeline tank antifreeze, and window heating. The power design of the heating line is generally between 20w/m and 30w/m. In a low-temperature environment with good heat dissipation, the power density can reach 40w/m, and the operating temperature is between -60 ℃ and+155 ℃.
Technical parameters
| Heating Line Technical Parameters | |
| Heating linear type | Linear, spiral |
| Material of thermal insulation layer | Soft insulation materials such as silicone or PTFE |
| Outer diameter of thermal insulation layer | 1.2mm~5.0mm |
| Heating element | Nickel chromium alloy or other electric heating wires |
| Resistance range | 0.1~10000Ω/m |
| Resistance Tolerance | DC resistance value: ± 5% Outer diameter:+0.2/-0.1mm |
| Output power | Up to 40W/m |
| Working voltage | Up to 600V |
| Maximum surface temperature | 200℃ |
| Minimum surface temperature | -40℃ |
| insulation resistance | ≥100MΩ |
| Power frequency withstand voltage | ≥1500V |
| Product Life | Above 10000H |
| Deflection test | 25000 or more times without abnormalities (tested according to IEC testing standards) |
Ordering Example

(1) Heating wire shape code: indicated by a 1-digit letter, □.
I - linear; S-spiral shape;
(2) Insulation layer material code: 1 letter represents, □.
S-Silicone; T-Teflon;
(3) Outer diameter of insulation layer of heating wire (DR), represented by 2 digits, □. □ mm
DR ≤ 5.0mm; Exceeding this diameter requires customization;
(4) Heating wire length (LR), represented by 4 digits, □ □ □ □ mm;
LR ≤ 9999mm; Exceeding this length requires customization;
(5) Nominal power (W)/working voltage (V), represented by 4 digits+3 digits, □ □ □/□ □ □;
(6) Length of outgoing line LW: represented by 4 digits, □ □ □ □ mm

IS-38/0530-0015/220-0600 is a product ordering code for linear silicone heating wires.
| Heating wire | |
| Shape code | I, it is a standard type, as shown in the figure; |
| Insulation layer material | silicone |
| Heating wire outer diameter DR | DR=3.8mm |
| Heating line lengthLR | LR=530mm |
| Nominal power (W) | 15W |
| Nominal working voltage (V) | 220V |
| Length of lead wire (LW) | LW=600mm, 0.35mm2 high-temperature wire (adapted according to power), wire color/diameter can be specified; |
| Product identification code | None; Non explosion-proof |
| Heating wire ordering information | |||||
| Ordering code | Heating wire outer diameter | Heating wire outer diameter | Nominal | Nominal | Lead |
| Outer diameter | Length | Power | Voltage | Length | |
| (DR,mm) | (LR,mm) | (W) | (V) | (LW,mm) | |
| Linear silicone heating wire/DJR-IS (standard type) | |||||
| IS-0530/38-0015/220-0600 | 3.8 | 530 | 15 | 220 | 600 |
| IS-0400/38-0011/220-0450 | 3.8 | 400 | 11 | 220 | 450 |
| IT-3000/38-0080/220-1300 | 3.8 | 3000 | 250 | 110 | 1300 |
| IS-3000/38-0080/220-3200 | 3.8 | 3000 | 300 | 110 | 3200 |
| Linear Teflon heating wire/DJR-IT (customized) | |||||
| IT-3000/38-0080/220-1300 | 3.8 | 3000 | 250 | 110 | 1300 |
| Spiral silicone heating wire/DJR-SS (customized) | |||||
| SS-3000/38-0080/220-1300 | 3.8 | 3000 | 250 | 110 | 1300 |
| Spiral Teflon heating wire/DJR-ST (customized) | |||||
| 3.8 | 3000 | 250 | 110 | 1300 | |
| Heating power, heating wire length L/outer diameter D, cable length LW/wire diameter/wire color all can be customized according to customer requirements. Please refer to the order code description; The standard lead wire with a power not exceeding 100W is a 0.35mm2 high-temperature wire; Technical information is subject to change without prior notice. | |||||

辽公网安备21060302000350号